What are the 2 Wires on an Alternator?
Fact/quality checked before release.
So you have stumbled upon two wires in your alternator and are wondering what they are used for.
2 wire alternators are not commonly used in the modern automobile as installing three- or four-wire alternators is more common. To differentiate between these wires, you must be familiar with their alternator wiring diagrams, which we will explain further below.
In general, the two wires on a car alternator are the wire that connects to the battery and the exciter wire that runs power to the voltage regulator, which is linked to the L terminal.
Let’s go into more detail.
Automobile Alternator Wiring Diagrams

Looking at the alternator, you will only see two wires: the power cable and the exciter wire. However, an alternator has a more complicated wiring system since it connects many parts. I will provide the alternator wiring schematics below. Now, let’s examine these connections:
3 Wire Alternator Wiring Diagram
This three-wire alternating wiring schematic demonstrates the connections between the various circuit parts.
The three main wires that make up the circuit are the battery’s positive cable, voltage sensor, and ignition input wire. There is also a connection between the engine and the ignition input wire. While the voltage-detecting wire senses, it connects energy to the rectifier. It carries power from the engine to the alternator.

These versatile alternators include built-in circuit rectifiers for power monitoring.
Unlike one-wire alternators, they may supply and rectify current in the same circuit. All components will receive regulated voltage if you use a three-wire alternator.
External Electromechanical Voltage Regulator
Note: there are two types of regulators: internal and external. We will focus on the external regulator for a two-wire alternator.

The voltage sensor cable is coiled into an electromagnet by motorized regulators.
Doing so produces a magnetic field around the magnet, drawing the ferrous block in its direction. Three electromagnetic switches—cutout relays, a regulator, and a current regulator—are in such circuits. The converter and existing regulator switch manage the voltage output by managing the alternator’s field circuit, while the cutoff relay links the battery to the generator.

However, due to their ineffective relaying mechanism, electromechanical circuits are seldom used in cars today, even though they are crucial for AC stabilizing circuits.
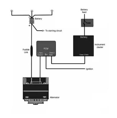
PCM Controlled Wiring Diagram
An alternator that uses internal modules to regulate the field circuit is known as a powertrain control module voltage regulation circuit.
The PCM controls the current flow by analyzing data from the body control module (BCM) and comprehending a system’s charging requirements.

The modules are activated if the voltage falls below the appropriate level, which alters the current flow through the coil on time.
As a result, this modifies the system output to meet its requirements. The PCR-controlled alternators are straightforward but incredibly effective at producing the required voltages.
How Does an Automobile Alternator Work?
An alternator’s work process is simple to understand.
An alternator is attached by a serpentine belt that sits on a pulley. When the motor is running, the pulley spins and turns the alternator rotor shafts. The rotor is an electromagnet with carbon brushes and two rotating metal slip rings linked to its shaft. It provides a small quantity of electricity to the rotor as a product of rotation and transmits power to the stator.

The magnets pass over the copper wire loops in the stator’s generator on the rotor. As a result, it produces a magnetic field around the coils. When the magnetic field is disturbed when the rotor spins, it creates electricity.
The alternator’s diode rectifier receives the AC, but it must be converted to DC before use. A two-way current is converted into a one-way flow-direct current by the rectifier. The voltage is subsequently sent to the voltage regulator, which adjusts the voltage to meet the requirements of various automotive systems.
References
Website Resources:
- electromagnet with carbon. https://www.sciencedirect.com/science/article/pii/S0008622319305597
- magnets. https://www.livescience.com/38059-magnetism.html
Video References:
The Engineering Mindset
Solar Solution